RÉFÉRENCES ÉLECTRICITÉ ET SÉCURITÉ INCENDIE

1. Reconstruction du bâtiment administratif et Aménagement des deux places publiques dans la commune de N’djili (République Démocratique du Congo)
Tâches :
• Etude d’exécution de la distribution basse tension sur Revit MEP.
• Etude d’exécution de la distribution et de l’installation basse tension.
• Evaluation des besoins énergétiques de l’ensemble de projet.
• Réalisation des Notes de calcul Courant fort.
Client : VSI Afrique.
Financement : Banque Mondiale.
Année (début – fin de prestation) : 2023- Travaux en Cours.
Ville : N’Djili-Kinshasa.
Montant total des travaux : 15 310 893,33 USD HT.
Surface total hors œuvre : 27 586 m²


2. Construction d’un Immeuble R+6 à usage commercial et bureautique situé à Nabeul - Tunisie
Tâches :
• Etude d’exécution de l’installation CFO-CFA.
• Elaboration des plans d’exécution selon les solutions retenue.
• Evaluation des besoins en puissance électrique.
• Réalisation des notes de calcul de l’ensemble de l’installation.
Client : Société AKINITOS.
Financement : Privé.
Année (début – fin de prestation) : 2023- Travaux en Cours.
Ville : Nabeul.
Montant total des travaux : 505 000 000 DT .
Surface total hors œuvre : 1142 m²


3. Réhabilitation et extension de l’hôpital central MNAZI MMOJA à Zanzibar
Tâches :
• Etude et réalisation des dossiers APD et DAO.
• Etude de la distribution Courant fort et faible de l’hôpital.
• Analyse des solutions de distribution en basse tension de l’hôpital.
• Elaboration les Plans courant faible et courant fort.
Client : Al-Abdelhadi Engineering Consultancy (AEC)‎
Financement : Arab Bank for Economic Development in Africa. Saudi Fund for Development. Kuwait Fund for Arab Economic Development.
Année (début – fin de prestation) : 2019 – 2023
Ville : Zanzibar.
Montant total des travaux : 30 390 000 USD HT
Surface total hors œuvre : 25 726 m²
Capacité : 380 lits


4. Projet d’aménagement du réseau d’éclairage publique sur la route de la plage à Soliman Erriadh :
Tâches :
• Étude APD et DAO du projet d'implantation du réseau d'éclairage publique.
• Suivi et contrôle des travaux sur site
Client : Municiplaité de Solimane
Financement :Fond propre de la municipalité
Année (début – fin de prestation) : 2023 – 2024
Ville : Solimane.
Montant total des travaux : 350 000 000 DT
Linéarité de Réseau : 2.5 Km.
Capacité : 380 lits


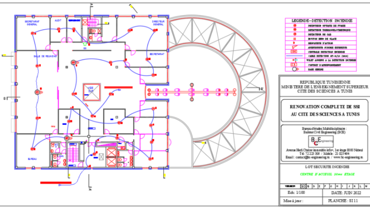
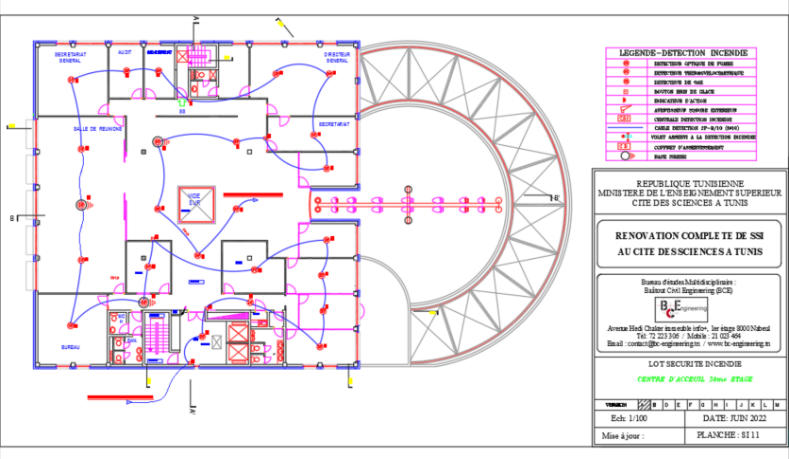
5. Etude et suivi des travaux de rénovation du système de sécurité incendie à la Cité des Sciences – Tunis :
Tâches :
• Etude (APD + DAO) pour la rénovation totale du système de sécurité incendie .
Client : Ministre de l'Enseignement supérieur.
Financement :Fond de la Ministre de l’Enseignement.
Année (début – fin de prestation) : 2021 – 2023
Ville : Tunis.
Montant total des travaux :688 000 000 DT


6. Etude de rénovation du système de sécurité incendie à usine FIGEAC-AERO Tunisie:
Tâches :
• Relevé architectural et étude dpour la rénovation totale du système de sécurité incendie .
Client : Société FIGEAC AERO Tunisie.
Financement :Fond propre du client .
Année (début – fin de prestation) : 2023 – 2023
Ville : Z.I El Mghira Ben Arous.
Montant total des travaux :330 000 000 DT


7. Projet de construction d'une villa haut standing:
Tâches :
• Réalisation de l’étude et évaluation des besoins du client.
• Assurer le confort lumineux.
• Elaboration des plans d’exécution.
• Supervision et control les travaux.
Client : Privé .
Financement :Privé .
Année (début – fin de prestation) : 2022 – 2023
Ville : Tunis.